В условиях низких температур загустевание бетона существенно замедляется, в результате чего процесс бетонирования в зимнее время может сильно затянуться. Однако, с этой проблемой в последнее время научились бороться при помощи использования специального подогревающего кабеля.

ПНСВ греющий провод для бетона
Общие сведения
Обогрев бетона греющим проводом является широко распространенной технологией среди профессиональных строителей. Ее популярность обусловлена экономичностью метода, так как при нагреве не происходит теплопотерь – вся энергия от кабеля передается непосредственно бетону. Кроме того, данная технология уже хорошо отлажена.
Еще одним достоинством подобного прогрева является относительно низкая цена провода. Поэтому можно сказать, что среди всех возможных вариантов, рассматриваемый способ обогрева бетона является наиболее целесообразным.
Итак, суть данного метода заключается в том, что перед заливкой бетона монтируется кабель определенного сечения и уровня напряжения. Затем кабель заливается бетоном и подключается к электричеству, вследствие чего бетон начинает обогреваться.
Бытует мнение, что под воздействием температур, в бетоне могут появляться трещины и образовываться воздушные пузыри. Однако, это все домыслы, в действительности же структура бетона не меняется, зато раствор застывает значительно быстрее. В результате, процесс бетонирования можно ускорить в несколько раз.

Уложенный змейкой провод
Единственное, крайне важно соблюдать технологию монтажа системы и порядок прогрева. В противном случае результат действительно может огорчить.
Как правило, электропрогрев бетона греющим проводом применяют при заливке полов. Такой подогрев может также увеличить и скорость высыхания других жидких стройматериалов в помещении или на строительной площадке. В частности, быстрее высыхают стены, окрашенные краской или обработанные грунтовкой, быстрее происходит застывание шпаклевки и обойного клея.
Особенности проводаОсновные требования к кабелю
Греющий кабель для прогрева бетона должен обладать определенными свойствами, так как впоследствии его невозможно будет заменить. Кроме того, любое замыкание может привести к пожару. Поэтому выбору провода необходимо уделить особое внимание.
Чаще всего для этих целей используют греющий кабель ПНСВ для бетона – двухжильный стальной провод с изоляционным покрытием из полиэстера или поливинилхлорида. Благодаря надежной его изоляции, исключается возможность загорания, кроме того, вероятность переломов и перегибов внутренних жилок тоже минимальна.
Такой провод можно использовать как в домах с однофазной проводкой, так и при ее разветвлении на три фазы.

Структура кабеля
Основные параметры кабеля
Основным параметром обогревательного провода является пропускная способность. Оптимальным вариантом является кабель с номинальным уровнем тока до 16 А. Его вполне достаточно для частных домов и квартир в многоэтажках.
Другой важной особенностью обогревающего провода является наличие специальных ответвлений, которые выводят за пределы бетонируемого участка. Эти ответвления называют холодными окончаниями.
Принцип работы основан на том, что ток нагревает поверхность кабеля, но бетон сам по себе холодный. Таким образом, получается своего рода энергетическая компенсация. Однако, если будут нагреваться окончания провода, то имеется большая вероятность их оплавления или даже замыкания.

На фото — использование кабеля в опалубке для фундамента
Область применения
Обогревающий провод можно использовать в следующих случаях:
- Для обогрева бытовых и промышленных помещений;
- Для установки на шинопроводы;
- Для временного обогрева строительных площадок;
- Для обогрева фундаментов, полов, бетонных заборов и пр.

Использование обогревающего провода на строительной площадке
Технология прогрева бетонаУстановка системы
Монтаж провода для бетона своими руками является довольно серьезной процедурой, которая требует определенных знаний (узнайте здесь, для чего нужен лак для бетона).
Обратите внимание! Перед заливкой, необходимо заранее продумать подведение коммуникаций или наличие отверстий в бетоне. После монтажа системы и заливки бетона, все операции с поверхностью могут привести к повреждению кабеля. Если, все же понадобится выполнить, к примеру, алмазное бурение отверстий в бетоне, то необходимо предварительно убедиться, что в этом месте не проходит обогревающий провод.
Работа выполняется в следующем порядке:
- В первую очередь нужно очистить поверхность от мусора и различных острых частей, которые способны повредить провод.
- Затем укладывается арматура или армировочная сетка, и выполняется сварка арматуры.
- Затем осуществляется монтаж провода. Наиболее простой способ – укладка змейкой. Ее величина будет зависеть от площади заливки и длины кабеля. При этом не забывайте, что класть провода друг на друга строго запрещено, кроме того, необходимо следить, чтобы кабель не соприкасался с опалубкой и не выступал за поверхность бетона.

Монтаж провода
Оптимальным расстоянием между кабелями считается не более 15 сантиметров, особенно если в наличии длинный провод, а величина площади заливки небольшая.
- Далее нужно проверить систему на работоспособность – подключить к электричеству и убедиться, что кабель нагревается. Обязательно надо контролировать мощность тока.
Нельзя превышать показатели, которые указаны производителем на проводе. Если система будет эксплуатироваться без трансформатора, позволяющего уменьшить величину тока, то следует использовать провод марки ПТПЖ, так как он более мощный.
- После этого надо отключить кабель и дать ему остыть.
- Завершающим этапом является заливка площади бетоном.
Обратите внимание! При монтаже кабеля крайне важно не допускать его перегиба. Провод должен ложиться мягким полукругом. Это позволит избежать так называемых «белых зон» и в то же время не переломать жилы.

Схема монтажа кабеля
Как мы видим, монтаж системы прогревания бетона проводом во многом напоминает установку теплого пола. Причем, данный кабель вполне возможно использовать и для этих целей. Единственное, в таком случае целесообразней из нитей провода сделать ТЭН и обмотать его изоляционным материалом.
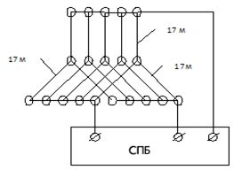
Если используется отдельная электрическая станция, то лучше применить схему подключения «звезда». Она боле эффективная, чем «змейка» и хорошо подходит для обогрева небольших площадей.
Совет! Если со временем понадобится демонтировать бетонную поверхность, то наиболее эффективным способом будет резка железобетона алмазными кругами в сочетании с использованием отбойного молотка.

Схема «звезда»
Порядок прогрева бетона
Инструкция по разогреву бетона кабелем выглядит следующим образом:
- После того, как площадь полностью залита бетоном, запускается система обогрева. При этом скорость повышения температуры должна составлять не более десяти градусов по Цельсию за два часа.
- Далее начинается основной период прогрева. На этом этапе нужно следить, чтобы температура не достигла 80 градусов по Цельсию.
- Завершающий этап – остывание. Скорость снижения температуры должна составлять не более пяти градусов за час.
Обратите внимание! Эксплуатацию системы необходимо производить очень осторожно, минимизируя возможность перепадов напряжения. Поэтому надо использовать стабилизатор, иначе кабель перегорит и демонтировать его будет невозможно.
На этом процесс подогрева бетона завершен. При точном соблюдении инструкции, материал сможет достигнуть необходимого уровня прочности даже в условиях сильно пониженных температур.
Вывод
Греющий провод для бетона позволяет не откладывать строительные работы до наступления теплой погоды. Единственное, для успешного бетонирования необходимо соблюдать технологию его монтажа и инструкцию по эксплуатации системы (см.также статью «Термометр для бетона: назначение и виды»).
После того, как бетон застынет, кабель можно использовать для дальнейшего обогрева помещения. Из видео в этой статье вы можете получить дополнительную информацию по данной теме.


















